您好,欢迎来到土木商易宝请登录注册
  • 12位单圈**值编码器, RS485数字通讯输出
  • 12位单圈**值编码器, RS485数字通讯输出
  • 12位单圈**值编码器, RS485数字通讯输出
  • 12位单圈**值编码器, RS485数字通讯输出

详情介绍

一. 电位器:  是*低档的角度位置传感器,应用极广,从汽车、船舶、各种操纵杆方向盘,甚至民用,到各种工业应用。单圈**值编码器重点是替换电位器应用中遇到如下困难而需要替换、提高的应用场合:信号及器件可靠性、精度、量程、干扰、环境、数字化、成本(针对高级精密电位器)

12位4096单圈**值编码器, RS485数字通讯输出

订货型号:GES60/4096 RA10 REB  5V

                GES60/4096 RE10 RDB   10-30V    

* 全量程**码盘,内部不含电池、无计数装置,所有位置**编码**对应。无误码率,无累积误差;

* 高精度12位数字信号,4096分辨度;

* RS485主动发送模式,抗干扰强,8ms刷新周期;

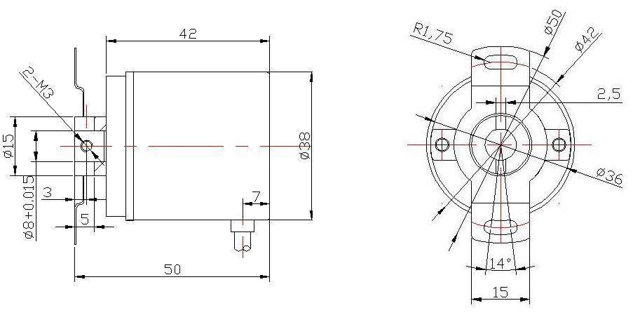
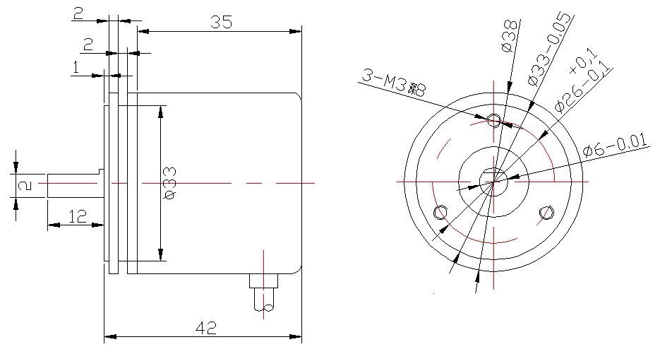
* 欧系标准的夹紧法兰型尺寸,方便替换;

* 宽电源电压,极性保护;高防护等级、高温度等级;

* 内部全数字化**值量计值,测量原理非接触式,安全、可靠、长寿;

* 各种高精度**值角度测量应用。

特性参数

工作电压: 5Vdc±10% 或10-30V 极性保护 二选一

消耗电流: < 100mA(24Vdc)  < 190mA(12Vdc)

输出信号: RS485数字通讯信号,主动发送模式不带地址,主动模式波特率19200/115200两种可选(通讯协议另可提供)

每圈分辨率: 4096,12位

工作温度: -40~80℃  

储存温度: -40~80℃

防护等级: IP65

允许转速: 2400转/分  

输出刷新周期: 8ms

连接电缆: 1米屏蔽电缆径向侧出

外形特征: 全密封金属外壳,密封双轴承结构

外形尺寸


12位单圈**值编码器, RS485数字通讯输出

12位单圈**值编码器, RS485数字通讯输出


企业名片

上海精浦机电有限公司

 

 

 

上海精浦机电有限公司

[未认证会员]

主营业务:绝对值单圈编码器、绝对值多圈编码器、增量... [详细]

联系人:姜黎莉

经营性质: 设备供应商

所在地:上海 上海市 

公司介绍

进入商铺
企业样本 更多>>
编码器/传感器/显示仪表
编码器/传感器/显示仪表 类别:仪表箱 日期:2013-11-14 地址:上海 查看
全新一代ACURO绝对值编码器
全新一代ACURO绝对值编码器 类别:流量计 日期:2006-09-29 地址:上海 查看
智能型绝对值编码器
智能型绝对值编码器 类别:其他消防元件 日期:2006-07-22 地址:上海 查看

你可以通过以下类目找到类似信息:

电工电气 > 工控设备 > 传感器 > 位置传感器

联系电话

  • 0519-68887188-0(查号)
  • 0519-68887188-3(在线教育)
  • 0519-68887188-4(商易宝会员)
  • 0519-68887188-5(广告合作)
  • 0519-68887188-0(内容侵权举报)

客户服务

  • 0519-68887188-5(商易宝客服)
  • info@co188.com
  • 关注土木在线:
    土木在线官方新浪微博
    土木在线官方腾讯微博
    土木在线官方微信
网上110报警 不良信息举报中心 电子营业执照